金先生和短发,交换5免费高清完整电视剧情,金先生韩亚航空落地窗

24小时咨询热线
13331960448
位置:首页 > 产品中心 > 可拆板式换热器

管式换热器

操作规程 (1)启动前检查所附件与仪表并查看各连接处是否紧密。 
(2)拧下处于冷却器出油口外的螺塞(用户自配),然后缓缓开启进油
阎(此时排油闽处于关闭状 态)。当油溢出时,关闭进油阀,拧上螺塞。 
(3)拧开冷却器管路中的排气阀,此时水和油均成静止状态,经热交换后,
温差逐渐变小。 (4)当水温升高5-10℃后,打开冷却水和油的排出阀,
再逐渐打开冷却水和油的进水阀,使冷却水和 油均处于流动状态。
然后调整冷却水的流量,使之出油温度保持在正常工作状态。 
(5)冷却器因故障或正常停止工作时,其操作步骤先关闭油和冷却水的
进水阀,然后关闭油和冷却水 的排出阀,再拧下排水、排油接口上的
螺塞,排尽积于冷却器内的水与油。

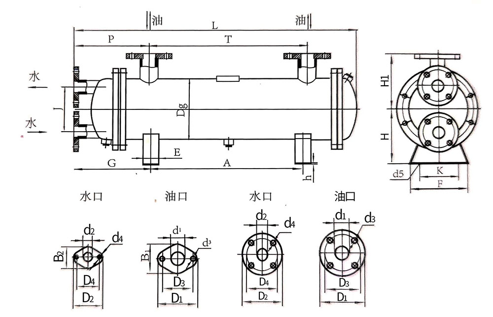
列管式油冷却器

一 、 使 用 须 知

1、操作规程

(1)启动前检查所附件与仪表并查看各连接处是否紧密。
(2)拧下处于冷却器出油口外的螺塞(用户自配),然后缓缓开启进油阎(此时排油闽处于关闭状 态)。当油溢出时,关闭进油阀,拧上螺塞。
(3)拧开冷却器管路中的排气阀,此时水和油均成静止状态,经热交换后,温差逐渐变小。
(4)当水温升高5-10℃后,打开冷却水和油的排出阀,再逐渐打开冷却水和油的进水阀,使冷却水和 油均处于流动状态。然后调整冷却水的流量,使之出油温度保持在正常工作状态。

(5)冷却器因故障或正常停止工作时,其操作步骤先关闭油和冷却水的进水阀,然后关闭油和冷却水 的排出阀,再拧下排水、排油接口上的螺塞,排尽积于冷却器内的水与油。


2、注意事项
(1)在启动冷却器工作时,切忌快速打开进水阀门,因冷却水大量流过冷却器时,会使换热管表面形 成一层导热性很差的“过冷层”,即使以后水量很大,也起不到最佳的冷却作用。
(2)如果水侧发生电化作用的腐蚀,可以在进出水盖的指定置(预留孔内)自行安装防电化的锌棒。 (3)冷却水通常采用净化的淡水,使用江河水时在进水口须配置滤水器。
(4)为提高热交换性能,防止水垢形成,冷却水温度尽可能要低些,水流量要大些。(5)冷 却器的油侧压力应大于水侧压力。

(6)在寒冷季节,且冷却器不工作的情况下,必须将水放尽,以免冻裂。


二 、 清 理 方 法
冷却器长期工作时,管壁表面逐渐积垢,热交换性能下降,以致不能保证冷却要求,此时必须停用清 洗。清洗周期视水质情况而定, 一般每5-10个月应进行一次内部的检查和清洗,起方法如下:
1、水侧清洗:
用软管引洁净水高速冲洗前盖,后盖内壁和换热管内表面,同时用清洗涤进行洗刷,洗毕后用压缩空 气吹干。
2、油侧清洗:
(1)三氯乙烯溶液进行冲洗,使清洗液在冷却器内循环流动,溶液压力不大于0.6Mpa, 溶液的流向最好 与冷却器油流方向相反,清洗时视污垢情况而定,然后再将清水灌入冷却器内清洗,直至流出的水清洁 为止。
(2)用浸泡法将溶液灌入冷却器。历时15-20分钟后查看溶液的颜色,若浑浊不堪,则更换新溶液, 重新浸泡,直至清洁为止,然后用清水洗净。(若采用四氯化碳清洗时,应在良好的通风环境下进行,以   免中毒)

(3)清洗后进行液压试验,也可用0.7Mpa气压试验替代,然后装到系统上使用。

返回
主站蜘蛛池模板: 枝江市| 高邑县| 无为县| 万安县| 宣城市| 遵化市| 安西县| 龙南县| 嵊泗县| 商水县| 区。| 永州市| 泗阳县| 衡阳市| 鹿泉市| 翁牛特旗| 杭州市| 襄汾县| 昆山市| 泊头市| 金沙县| 太谷县| 台山市| 西平县| 色达县| 大冶市| 隆回县| 沙坪坝区| 共和县| 长白| 正安县| 宜城市| 犍为县| 阳谷县| 佛山市| 林西县| 浦北县| 文山县| 河曲县| 乌拉特中旗| 建德市|